無駄な仕事を効率化するための自動化プログラムを準備しました。雑務で困っている方は利用してみてください。
※欲しい自動化ツールがあれば個別に作成検討します。要望ある方は管理人まで連絡ください。

一般実務用

csvファイルの自動処理(Web版)

大量のcsvファイルを手作業でまとめている人向けです。
ファイルをまとめてアップロードし自動で1つのファイルにまとめて出力するプログラムです。

csvファイルの自動処理(エクセルマクロ版)

大量のcsvファイルを手作業でまとめている人向けです。
csvファイルを自動で1つのファイルにまとめて出力するプログラムです。オフラインで利用できます。

画像ファイルの自動圧縮

容量の大きな画像データを一括で圧縮してサイズを小さくします。
メールやドキュメントに画像データを張り付けるときに役立つプログラムです。

PDFファイルの文字情報を書き出し

PDFファイルの文字情報をテキストファイルに書き出します。
 業務文書などからデータを読みだしたいときに役に立ちます。

画像ファイルの自動圧縮(販売用)

画像データを一括で軽量化するプログラムです。
写真データを軽量化し、メール添付や資料作成用への利用を想定しています。



生産技術エンジニア向け

シリンダの出力計算

生産技術エンジニアがシリンダの出力を計算するためのツールです。
シリンダ内径を入力すれば、それぞれの圧力でのシリンダ出力を返します。

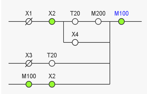
PLC回路の学習ツール

初心者向けのPLCの学習ツールです
A接点、B接点、自己保持の仕組みを紹介しています。

画像処理の簡易版(エッジ検出)

隣り合うピクセル同士の差を強調してエッジを浮き上がらせる簡易ソフトです。

サイクルタイムと生産能力の計算

サイクルタイムと稼働時間をもとに生産能力の理論値を試算します。

製造原価の計算

設備投資による減価償却費と作業員の労務費を試算します。

QRcodeの作成

希望するデータのQRcodeを作成します。


その他

ポーカーゲーム

プログラミング勉強目的で自作したアプリです

自作ブラウザ

プログラミング勉強目的で自作したブラウザです