200831 電気配線図が読めないエンジニアとその課題
今回は「電気配線図が読めないエンジニアとその課題」というテーマで話をします。製造業で仕事をしているとメカ専門、電気専門、工程改善専門、帳票専門など変な仕事領域が存在します。たくさんの拠点を見てきた経験からすると、生産技術職に所属している8割はサービスマンでした。
そのほとんどは、生産設備を外注して出来上がったものを工場に導入するだけ、パラメーター評価だけをするだけ、現場のドキュメントを準備するだけ、表面的な不良調査や改善をするだけ、プレゼン資料だけを作成するものなどでした。
エンジニア要素を含むものも一部ありますが、ほとんどは管理業務でした。設備を製作するわけでもなく、設備の内部構造を理解しているわけでもなく、設備を自分たちで改善・改造するわけでもありません。右から来た情報を左へ、左から来た情報を右へ流すだけの仕事をしている人が大勢いました。特に会社規模が大きくなるとこのタイプの仕事をしている人が多い印象です。
設備仕様と電気配線図の一例をもとに、本来のあるべき仕事のやり方を紹介したいと思います。
電気配線図で設備仕様を理解できないエンジニア
ある洗浄機の設備仕様について、「洗浄液の温度管理ができているか」という質問を私が担当エンジニアを含めた本社の技術グループにしていた時の話です。当時の私は海外拠点にいて、私の勤務していた工場へ搬入される設備の仕様確認目的でいくつか質問していました。
設備の構想が出来上がっていたので、配線図を見ればある程度は設備の制御が予想できます。配線図の英訳状況の確認もしたかったので、その担当者には配線図を入手して温度管理方法を確認するように指示していたのです。
ところが、担当者は電気配線図が理解できず、同じグループの人間も見て見ぬふりでした。結局、「わからないので教えてください」というメールが私のところに来ました。
私が担当者に依頼した問い合わせに対して、結局私自身が確認するという作業をしているのです。当時の私は多忙を極めていたので、このやりとりには大変失望したものです。
「エンジニアとしての存在価値ないよ」というのが当時の率直な感想でした。
たまたま、その人物は20代の社員だったのですが、30~40代でも内容を理解できていないエンジニアは大勢いました。
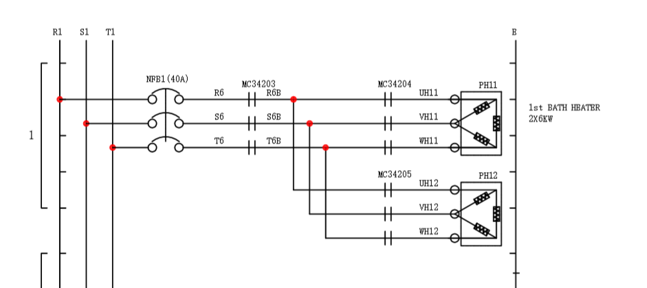
取引先から入手した配線図は分かりにくいものでしたが、温度センサが付属していて、そのセンサの信号が入るとヒーター(抵抗)への電力供給が遮断されてヒーターを停止するというものです。
文章で書けば単純ですが、電気配線図でこの表現を読み取れない人は大勢います。
※下記がその配線図です。


課題に直面したときの対応と本来とるべき行動
配線図を読めるエンジニアからすればたいした手間ではないので、さっそく私がコメントを担当者に返しました。それでも、毎回こんな確認作業や依頼が来るのも嫌だったので、少し厳しいコメントを付けて返しました。
「配線図○○ページの温度センサの信号が入ると、××ページにあるヒーターへの電流供給が遮断されるしくみです。つまり、洗浄液の温度制御はできています。この程度の質問は、わざわざ地球の反対側にいる私のところに問い合わせるのではなく、近くの席の人に尋ねてください。メールの往復や時差による待ち時間が無駄です。」
少し厳しいかもしれませんが、当時の私は多忙な生活に追われていました。海外拠点に比べて、暇を持て余していた本社のエンジニアの相手に時間を割くべきではなかったのです。そんな忙しい人物の手間を取るのだから、しょうもないレベルのやり取りを避けたかったのです。互いの仕事の効率を上げようとすると、各自がレベルアップするしかないのです。
当時は同じような問い合わせが日本本社のエンジニアから来ていました。複数のプロジェクトの窓口を担当していたおかげで、本社にいる別々のプロジェクト担当者から同じような質問が私に届きます。彼らの本社での座席は数メートルしか離れていないため、互いがコミュニケーションすれば済む話なのですが、どうもそれができないようです。
チームごとに変な壁ができていて、「身近に存在する人物に直接問い合わせる」よりも「はるか遠方にいる人物にメールを打つ」ほうが彼らにとっては楽なようです。
メールは便利なツールですが、使い方を間違うとただの手間です。10分で済むレベルの話を30分もかけてメールを打つなどばかげた話です。さらにメールを受信した人物の手間も奪うことになります。メールで時間を費やすことで、仕事をしていると勘違いする人もいます。
(※もちろんメールが効果的な場面もたくさんあります)
この話の教訓は、必要な専門スキルは学ぶべきということです。
製品設計をするのであれば作図ソフトを使いこなさなくてはなりません。同じように、設備の導入・改善をするのであれば設備のこと(メカ、電気、制御)を理解していなくてはなりません。この事例に当てはめると、自分で電気配線図を理解できるようにならなくてはならないのです。
現時点で理解できていなくても、自分の現状を正しく認識して1~2年後にはできる状態になっているように自己研鑽するべきなのです。わからないからといってメールで問い合わせることで、一時的には問題を解決できるかもしれませんが、本質的には何も解決できていないのです。「課題を解決できる人」が周りにいなければ、仕事をこなすことができない人物であるという事実は変わらないのです。
ところが、大企業では「一時的な対応」を繰り返してきた社員が多く、何年勤続していても何のスキルも専門性も習得できていないサービスマンが多いのです。
※関連記事) 製造現場の問題解析手法(FTAの概略紹介と利用法)
※関連記事) 生産技術エンジニアが目指す21世紀の働き方
※関連記事) 生産技術の仕事内容とキャリア形成
